产品特点:
1. 产品表面及内部无任何金属材料。
2. 无油润滑设计,消除潜在污染风险。
3. 风囊和泵体之间无接触、无摩擦、可靠性高,
4. 无电机运行,通入气体后可全自动运行,不会产生电机发热,电机损坏现象。
5. 结构简单,操作方便。
6. 坚固耐用,特殊PTFE制作的风囊,最高耐压可达7bar
7. 产品保修期2年,保修期内无需任何预防性维护
PTFE风囊泵 PDBP
PDBP系列PTFE风囊泵,高洁净的结构设计、完全无金属的四氟材质,无污染、耐腐蚀,保障了介质安全可靠的传输。在半导体、光伏、LED、光电行业、面板行业等行业备受青睐,特别是在供酸系统及制成系统的应用上被广泛使用。
产品特点:
1. 产品表面及内部无任何金属材料。
2. 无油润滑设计,消除潜在污染风险。
3. 风囊和泵体之间无接触、无摩擦、可靠性高,
4. 无电机运行,通入气体后可全自动运行,不会产生电机发热,电机损坏现象。
5. 结构简单,操作方便。
6. 坚固耐用,特殊PTFE制作的风囊,最高耐压可达7bar
7. 产品保修期2年,保修期内无需任何预防性维护
除了供应我们自己生产的四氟风囊泵,上海存简还承接White Knight(白骑士)、DINO(帝隆)风囊泵的维修以及配件更换。
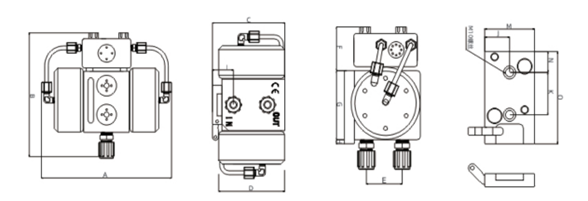
PDBP024:




| 编码 | A | B | C | D | E | F | G | H | I | J | K | L | M | N | O |
| (mm) | |||||||||||||||
| PDBP024 | 238 | 214 | 121 | 110 | 57 | 66 | 105 | 6 | 32 | 31 | 51 | 11 | 62 | 25 | 111 |
| PDBP060 | 270 | 259 | 154 | 140 | 79 | 75 | 127 | 8 | 37 | 46 | 51 | 10 | 91 | 19 | 135 |
| PDBP120 | 361 | 345 | 233 | 222 | 138 | 75 | 206 | 8 | 53 | 47 | 51 | 11 | 94 | 57 | 215 |
注:地脚螺栓孔M10
上海存简流体技术有限公司是一家专业的流体技术解决方案提供商。自成立以来,我们通过自己研发生产、进口代理、产品定制化服务,始终致力于为全球客户解决流体技术问题。通过在医药、食品、半导体、电子化工等行业长时间的深耕发展我们在业内树立了良好的信誉和口碑。