PFA焊接管接头,通过热熔对接,接头与管子的端面直接对焊连接,实现完全密封,无需加固和担心漏液问题,非常适用于半导体制造流程中无泄漏、超洁净、高空间利用的高标准。
焊接的一体性,保证了高耐热性,不会因热循环而发生连接处松弛、泄漏。
接头重量更轻、外形更紧凑,可以大幅缩小配管空间。
焊接部位连接更平滑,减少卫生死角
温度范围:-60℃~200℃
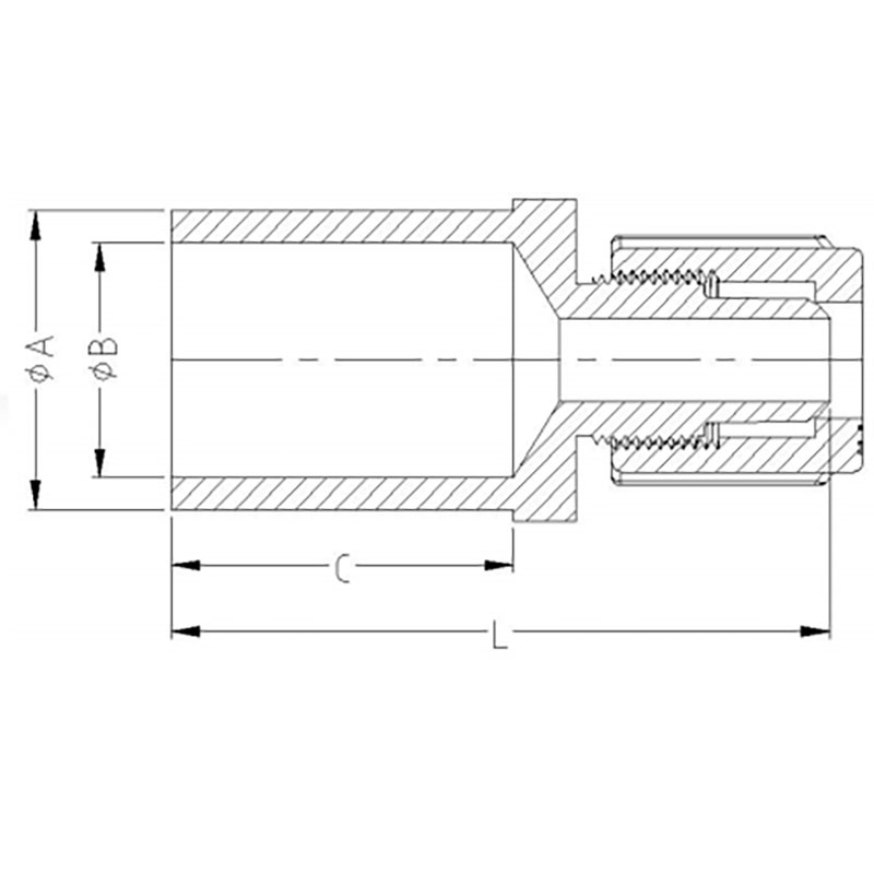
PFA焊接转扩口直通适配器 WFA
PFA焊接管接头,通过热熔对接,接头与管子的端面直接对焊连接,实现完全密封,无需加固和担心漏液问题,非常适用于半导体制造流程中无泄漏、超洁净、高空间利用的高标准。
特点:
1. 焊接的一体性,保证了高耐热性,不会因热循环而发生连接处松弛、泄漏。
2. 接头重量更轻、外形更紧凑,可以大幅缩小配管空间。
3. 焊接部位连接更平滑,减少卫生死角
温度范围:-60℃~200℃

| 编码 | 口径 | A | B | C | L |
| (inch) | (mm) | (mm) | (mm) | (mm) | |
| WFA20A045 | OD20*1/4" | 21.3 | 15.4 | 38.1 | 82.0 |
| WFA20A065 | OD20*3/8" | 21.3 | 15.4 | 38.1 | 85.0 |
| WFA20A085 | OD20*1/2" | 21.3 | 15.4 | 38.1 | 86.0 |
| WFA25A085 | OD25*1/2" | 26.7 | 20.6 | 38.1 | 86.0 |
| WFA25A125 | OD25*3/4" | 26.7 | 20.6 | 38.1 | 88.0 |
| WFA32A085 | OD32*1/2" | 33.4 | 26.3 | 38.1 | 86.0 |
| WFA32A125 | OD32*3/4" | 33.4 | 26.3 | 38.1 | 88.0 |
| WFA32A165 | OD32*1" | 33.4 | 26.3 | 38.1 | 95.0 |
上海存简流体技术有限公司是一家专业的流体技术解决方案提供商。自成立以来,我们通过自己研发生产、进口代理、产品定制化服务,始终致力于为全球客户解决流体技术问题。通过在医药、食品、半导体、电子化工等行业长时间的深耕发展我们在业内树立了良好的信誉和口碑。